欢迎光临【上海赛乐液压】官方网站
全国免费服务热线:
18701781252
首页
关于我们
关于CYROXTH
企业文化
产品中心
常见问题
资料下载
在线购买
联系我们
PRODUCTS
产品中心
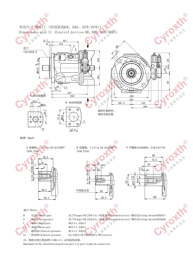
CY系列轴向柱塞泵
A系列柱塞泵
油泵电机组
柱塞泵配件
液压站配套系统
其他产品
当前位置:
首页
/
产品中心
/ A10V(S)O
返回
A10V(S)O